TD2, Analyse spectrale et calcule de THD
Exercice1
L’analyse spectrale de la qualité de l`énergie électrique `d`une alimentation est illustrée dans les figures a et b, dont sont montrées les formes d`ondes respectivement de la tension et du courant. En se servant des deux ordres harmoniques, calculer :
1) la valeur efficace du fondamental courant et tension ainsi, les valeurs efficaces du courant et tension harmoniques.
2) Taux de distorsion harmonique tension et courant : THDi , THDv.
3) Comment se comporte ce récepteur.
4) La puissance active, réactive et apparente.
5) Le facteur de puissance


Figure a : Spectre harmonique de la tension Figure b : Spectre harmonique du courant
----------------------------------------------------------------------------------------------------------------------------------------------------------------------
Réponse
1. Valeur efficace du fondamental de la tension, V1=0.8861, 60Hz,
Taux de distorsion de la tension, THDv = 21.80%
2. Valeur efficace du fondamental du courant, I1=2.843, 60Hz,
3. Taux de distorsion du courant, THDi = 32.05%
Exercice 2
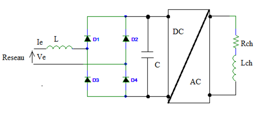
Etant donner le montage illustré dans la figure 1, une analyse harmonique de la tension d`entrée Ve et le courant d`entre Ie a été donnée dans les tableaux 1 et 2 respectivement pour le cas des mesures sans adjonction de la self L et le cas avec adjonction de la self L en série avec le récepteur.
1. Calculer le THDF, taux de distorsion harmonique % au fondamental, cas sans adjonction de la self.
2. Calculer le THDF, Taux de distorsion harmonique % au fondamental, cas avec adjonction de la self.
3. Déduire le facteur de puissance FP.

|
Rang |
1 |
3 |
5 |
7 |
9 |
11 |
13 |
15 |
17 |
|
Valeur efficace (%) |
100 |
83 |
56 |
30 |
17 |
15 |
16.8 |
10.8 |
5.4 |
|
Valeur efficace (A) |
2.08 |
1.74 |
1.2 |
0.6 |
0.36 |
0.32 |
0.35 |
0.23 |
0.11 |
Tableau 1 : Analyse harmonique Sans adjonction de la self L avec le récepteur.
|
Rang |
1 |
3 |
5 |
7 |
9 |
11 |
13 |
15 |
17 |
|
Valeur efficace |
2.14 |
1.3 |
0.38 |
0.17 |
0.08 |
0.04 |
0.03 |
0.02 |
0.01 |
Tableau 2 : Analyse harmonique : Avec adjonction de la self L en série avec le récepteur.
-------------------------------------------------------------------------------------------------------------------------------------------------------------------------------------------------------------------------------------------------
Solution
1. THDF = 112 % et Fp = 0.69
2. La self joue son rôle de lissage de l’intensité et de filtre. I= 6.8 A au lieu de 9 A.
On remarque une action manifeste au rang supérieur à 3. En effet l’impédance de la
self croît avec la fréquence (L.W) , d’où une diminution des courants.
Le courant efficace I = 2.54 A. On vérifie que les 17 premiers rangs sont les plus significatifs.
THDF = 64 % a diminué.