![]() |
1. But du TP
Ø On vise dans cette application la mise en valeur de point de vue technique et économique des filtres actifs. A l’aide des résultats de simulations d’un montage choisi ci-dessous (Figure 2.), on obtiendra les formes d’ondes des grandeurs électriques d’entré et de sortie et ceux sans et avec le filtrage actif.
Ø Régler le FAP de telle sorte aboutir aux formes d’ondes de la tension et du courant.
Ø Monter le facteur de distorsion THD relatif pour chaque paramètre du montage.
2. Principe de fonctionnement
Ce sont des systèmes électroniques de puissance installés en série ou en parallèle avec la charge non-linéaire, visant à compenser soit les tensions harmoniques, soit les courants harmoniques générés par la charge. Ce type de filtre est destiné pour améliorer le facteur de puissance dans un réseau donné :
· Installations tertiaires avec générateurs d’harmoniques de puissance totale inférieure à 200 kVA (variateurs de vitesse, alimentations sans interruptions, bureautique...).
· Nécessité de réduction du taux de distorsion en courant pour éviter les surcharges.
La Figure 1 donne un exemple de filtre actif parallèle compensant le courant harmonique (Ihar = -Iact). Le filtre actif réinjecte en opposition de phase les harmoniques présents sur l’alimentation de la charge, de telle sorte que le courant de ligne Is soit sinusoïdal.
Figure. 1: Principe d’utilisation d’un filtre actif
3. Manipulations
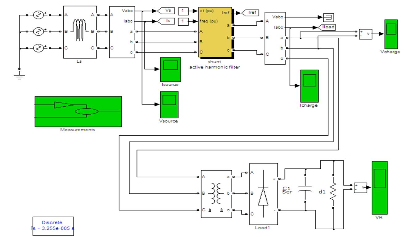
Avec le logiciel Matlab reproduire le montage de la figure2, en utilisant le Simulink. Effectuer les blocs conformément aux normes Matlab. Avant de lancer la simulation du montage en question effectuer les paramètres de simulation avec Ode 45.
En se servant du bloc « POWERGUI », prélever les résultats de simulations concernant :
A. Avant filtrage Actif
a) Les formes d’ondes de la tension entrée de la source avec le spectre harmonique (fréquence & ordre harmonique).
b) Les formes d’ondes du courant entré de la source avec le spectre harmonique
(Fréquence & ordre harmonique).
c) Les formes d’ondes de la tension de la charge avec le spectre harmonique. (fréquence & ordre harmonique).
d) Les formes d’ondes du courant de la charge avec le spectre harmonique (fréquence & ordre harmonique).
B. Avec filtrage Actif
a) Les formes d’ondes de la tension entrée de la source avec le spectre harmonique (fréquence & ordre harmonique).
b) Les formes d’ondes du courant entré de la source avec le spectre harmonique ( fréquence & ordre harmonique).
c) Les formes d’ondes de la tension de la charge avec le spectre harmonique (fréquence & ordre harmonique).
d) Les formes d’ondes du courant de la charge avec le spectre harmonique (fréquence & ordre harmonique).
4. Constatations et interprétations
Ø D’après les formes d’ondes des courants de référence, déduire les harmoniques les plus gênants.
Ø Présenter l’erreur des comparaissant entre les courant de références générés par le FAP et les courants d’entrées de la source. Comment utiliser cette erreur pour commander le convertisseur du dit filtre actif ?
Ø Déterminer la bande de fréquence de filtrage des harmoniques.
Ø Est-ce que le filtre actif d’adapte à n’importe quelle charge ?
Ø La puissance harmonique du filtre est elle limitée ?
En conclusion :
v Citer les avantages que peut offrir un filtre actif de point de vue :
I. Technique et énergétique.
II. Dimensionnement et intégration.
III. Economique.

POWERGUI
Figure 2 : Filtre Actif à Trois Phases