MATIERE : AUTOMATISME INDUSTRIELLE
EXAMEN FINAL
I- SYSTEME AUTOMATISEE DE PERÇAGE ET DE TARAUDAGE


I-1 compléter le grafcet donne dans la figure suivante (Macro-étape taraudage).

II- Soit le grafcet donne dans la figure suivante, donnent un tableau qui représente les équations activations désactivation des étapes.

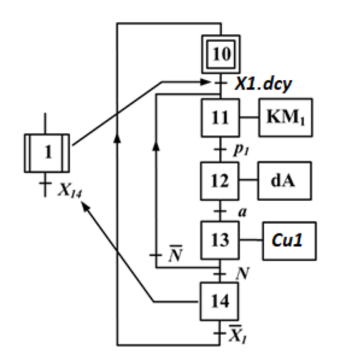
III- Soit le grafcet donne dans la figure suivante :



Correction
1)

2)


RESEAUX LADDERS (4 pts)



آخر تعديل: الجمعة، 16 مايو 2025، 5:21 AM