I-SYSTÈME AUTOMATISÉE DE FABRICATION DE POTS DE FLEURS

I-1 Description du Fonctionnement :
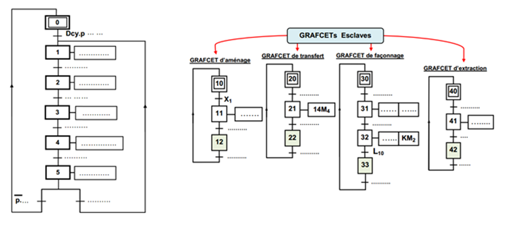
la présence bloc de terre (p) et la action sur le bouton de départ cycle entraine :
· Aménage du bloc de terre par tapis d’alimentation commande par le moteur Mt1
· Transfert du bloc de terre par le vérin C4
· Façonnage du pot par le vérin C1 et le moteur Mt2
· Extraction du pot par le vérin C5
· Évacuation du pot par les vérins C3 et C2 et le moteur M
Le cycle se répète tant qu’on a présence bloc de terre.
I-2 La technologie choisie
|
Taches |
Actionneurs |
Pré-actionneurs |
Capteurs |
|
Aménage du bloc de terre |
Moteur Mt1 |
KM1 |
V |
|
Transfert du bloc de terre |
Vérin simple effet C4 |
14M4 |
L41 |
|
Façonnage du pot |
Vérin double effet C1 |
Sortie 14M1 |
L11 |
|
Rentrée 12M1 |
L10 |
||
|
Moteur Mt2 |
KM2 |
|
|
|
Extraction du pot |
Vérin simple effet C5 |
14M5 |
L51 |
|
Évacuation du pot |
Vérin double effet C2 |
Sortie 14M2 |
L21 , L22 |
|
Rentrée 12M2 |
L20 |
||
|
Vérin double effet C3 |
Sortie 14M3 |
L31 |
|
|
Rentrée 12M3 |
L30 |
||
|
Moteur M |
KM |
E |
Dcy : démarrage cycle, S3 : arrêt de système , S4 : réarmement , Au ; arrêt d’urgence générale , Au1 ;Au2 : ;Au3 ; Au4 , Au5 : les arrêts urgences pour les différentes taches.
M moteur
asynchrone 220 /380
, Mt1 moteur
asynchrone 220 /380
, Mt2 moteur
asynchrone 220 /380 ![]()
E :capteur fin de course d’évacuation de pot , V : détecteur d’ aménage d’argile
EV : électrovanne qui commandé la ventouse pour libérer le pot
I-3 Questions :
1- Déterminer la condition qui décrit l’état initial du système ?
2- Compléter le grafcet macro étape est les grafcets esclaves relatifs aux déférentes taches

3. Trouver le grafcet esclave d’évacuation
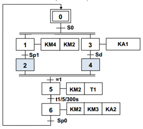
II - soit le grafcet donne dans la figure suivantes:

Réaliser le programme l’adder de l’API S7-300 donne les caractéristiques suivantes :
CPU 312C DI 10 /DO6 Adresse d’entrée 124-125 Adresse sorties 124
Prendre l’octet 0 d’adresse mémoire
1- Remplir un tableau d’adressage ?
2- Faire les réseaux l’adder pour ce grafcet ?