تخطى إلى المحتوى الرئيسي
اسم المستخدم
كلمة المرور
تسجيل الدخول
Forgotten your username or password?
USMT
📅 Moodle par année
Consultez les cours de l'année académique 2025/2026
Consultez les cours de l'année académique 2024/2025
Consultez les cours de l'année académique 2023/2024
CILT
العربية (ar)
English (en)
Français (fr)
العربية (ar)
البحث في المقررات الدراسية
تسليم
Automatismes industriels
TD 6 MACRO ETAPE
التأشير بأنه منجز
TD 06
Automatisme Industriels
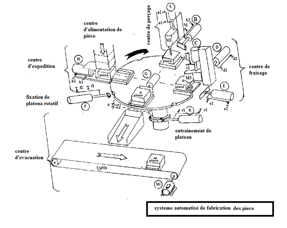
Système automatisée de fabrication des pièces
Objectif est de fabrication des pièces d’une façon continu
آخر تعديل: الاثنين، 6 مارس 2023، 10:23 PM
► TP02 Automatisme Industriels
الانتقال إلى...
الانتقال إلى...
Cour Présentation système automatisée
TD1 mise a jour
cour 2 cahier de charge
TD2 Automatisme
Vérin et Distrubuteur
TD 3
Cour 4 grafcet
TD 4 Industrial Automation
Cour 4 PLC (A P I)
TD5
cour 5 programmation STEP7 ('Langage ladder )
Cour6 programmation step7 (langage grafcet)
TD 5 Automatisme Industriels
TD 5 +
TD5++ Automatisme Industriels
Cour 7 grafcet Macro-etape
PROGRAMMATION Macro-Etape
TP02 Automatisme Industriels
Cour 8 Grafcet final
API S7 300
تصحيح devoir
devoir L3 2024
TD7
solution TD7
TD 8
COUR 9 GEMMA 1
solution TD 8
COUR 10 GEMMA II
TD 09
CORRECTION TD 9
امتحان 2024
تصحيح الامتحان 2024
امتحان نهائى لسنة 2025 مع التصحيح
Cour 8 Grafcet final ◄
العودة