Correction







RESEAUX LADDERS macro- étape 2






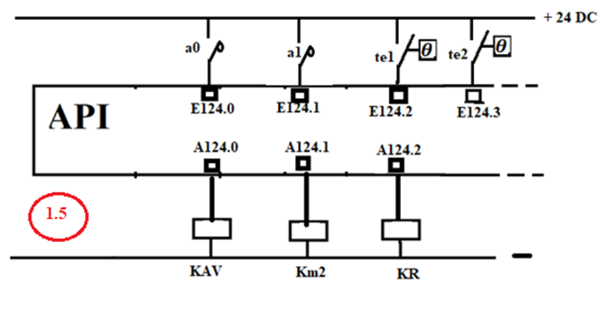
Schémas de commande macros étape (2)

Schémas de puissance macros étape (2)

آخر تعديل: الثلاثاء، 30 أبريل 2024، 9:03 PM
Correction







RESEAUX LADDERS macro- étape 2






Schémas de commande macros étape (2)

Schémas de puissance macros étape (2)
