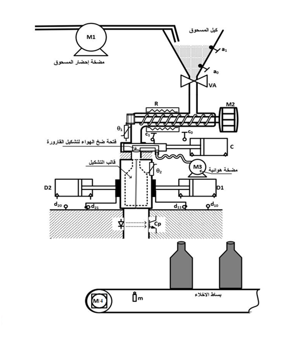
نظام أوتوماتيكي لتصنيع العبوات البلاستيكية
الهدف هو تصنيع العبوات البلاستيكية بشكل مستمر وفي أقصر وقت ممكن، مع احترام معايير السلامة





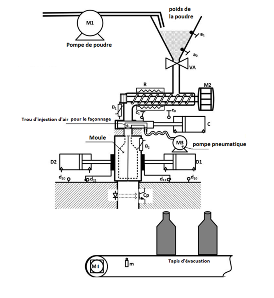
SYSTEME AUTOMATISEE DE FABRICATION DES BOUTEILLES EN PLASTIQUE
Objectif est de fabrication des bouteilles en plastique d’une façon continu et dans les délais les plus courts, tout en respectant les normes de sécurité.





II-CHOIX TECHNOLOGIE
Compléter le tableau suivant :


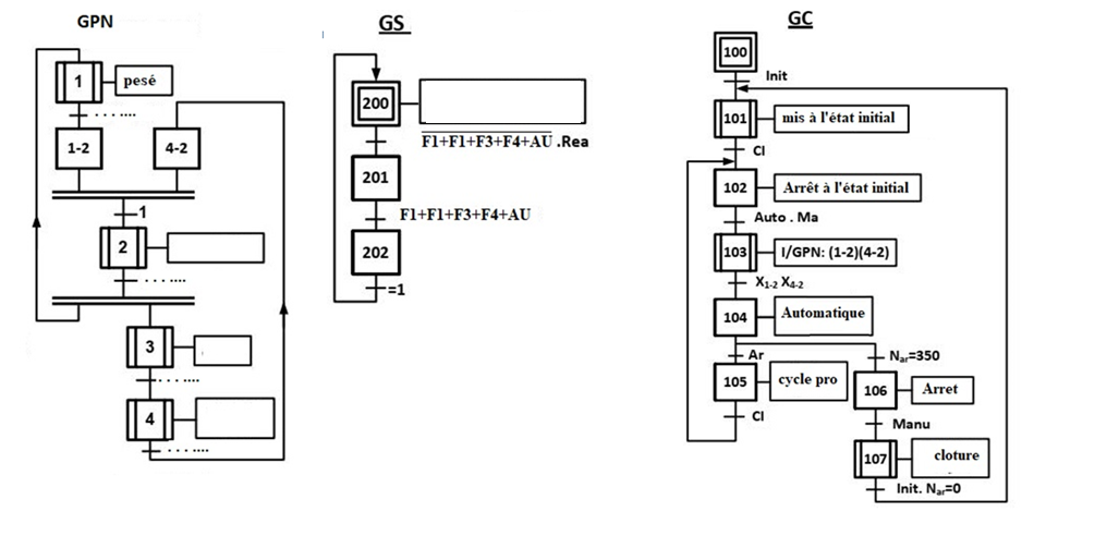
2Grafcet
2 .1 - Déterminer la condition qui décrit l’état initial du système ?
2.3 compléter le Grafcet GPN et trouver les Grafcets macros étapes.
2.4 En prendre en considération les normes de sécurité est control trouvé le Grafcet final (GPN, GC , GS) .
3 programmation
3 .1 créer un projet Step 7 (Choix de CPU et les modules qui rependre a votre besoin, configuration de matérielle) Pour un API avec les caractéristiques suivantes :
· CPU 313C
· DI 24 /D16
· Adresse d’entrée 124-126
· Adresse sorties 124 125
· Prendre l’octet M50 d’adresse mémoire
3- 2 Remplir un tableau d’adressage ?
3-3 insérer un bloc fonctionnel est programmé votre GRAFCET ?
3-4 faires la simulation.
3-5 donnent les schémas de commande et de puissance.


